Zehnder Pumpen Kompaktboy 1,1 D 400 V (přečerpávací zařízení pro odpadní vodu)

Kód zboží: 10440.0
Skladem
70 090 Kč / ks
57 925,62 Kč bez DPH
ks
Zehnder Pumpen Kompaktboy 1,1 D 400 V (přečerpávací zařízení pro odpadní vodu)
Zehnder Pumpen Kompaktboy 1,1 D 400 V (přečerpávací zařízení pro odpadní vodu)
70 090 Kč skladem
Popis produktu
Detailní popis produktu

*Zboží je na našem externím skladě, dostupnost zboží je manuálně prověřována.

**Zboží je objednáváno v zahraničí, nutná platba předem, poté se zboží objednává a následně dodá zákazníkovi (termín dodání cca. týden).

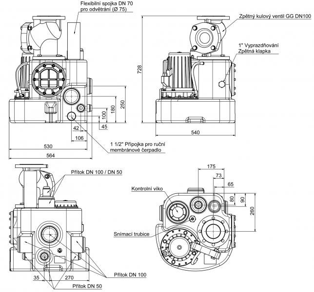
Provedení:

  • Sběrná nádoba z polyetylénu s 55 l využitelným obsahem (19 l – 45 l objem pro zapnutí dle výšky nátoku)
  • Odstředivé čerpadlo s velkou účinností a nízkým hlukem
  • Utěsnění hřídele mechanickou ucpávkou a přídavným těsněním s vloženou olejovou komorou
  • Přítoky: potrubí HT 3 x DN 100, 3 x DN 50 a 1 x DN 50/100
  • Přídavná přípojka pro 1 ½“ ruční membránové čerpadlo
  • Odvětrání DN 70 (Ø 75 mm)
  • Max. teplota čerpaného média 55˚C
  • Provozní režim S3 – 25%
  • Krytí IP 68

Způsob použití:

  • Přečerpávání domovních odpadních vod z jednoho suterénního bytu nebo rodinného domu
  • K instalaci na podlahu v prostorech chráněných před mrazem pod úrovní gravitačního kanalizačního řádu

Dodávka obsahuje

  • Zařízení připravené ihned k montáži s 3,5 m kabelu k motoru a 3,5 m pneumatické hadičky k ovládači
  • s integrovanou zpětnou klapkou DN 100 (mimo Kompaktboy 3,0 – 2P, tento model je vybaven litinovou zpětnou klapkou)
  • přechodovou přírubou DN100 pro výtlak (optimálně je DN80)
  • flexibilní spojka s upínáním pro výtlačné a odvětrávací potrubí
  • včetně ZPS 1: komfortní pneumatický hladinový ovladač s mikromikroprocesorem ,LCD displej ukazuje provozní stavy, výšku hladiny, počet provozních hodin, servisní interval a poruchy, bezúrovňový výstup pro poruchová hlášení a akustický alarm, skříň ovladače pro montáž ve vnitřním prostředí

Technické parametry

Katalogové číslo: 10440

Napájecí napětí: 400V

Kmitočet: 50 Hz

Výkon P1: 1.400 W

Výkon P2: 1.100 W

Jmenovitý proud: 2,9 A

Otáčky: 1400 1/min

max. teplota: 55 °C

max. čerpaný objem: 41,0 m³/h

výtlačná výška do: 8,1 m

volný průchod: 50 mm

Breite: 540 mm

Länge: 564 mm

Rozměry Balení (d x š x v): 580 mm x 600 mm x 790 mm

Vybavení: s pneumatickým ovladačem pro jedno čerpadlo



Upřesnění parametrů pro Zehnder Pumpen Kompaktboy 1,1 D 400 V (přečerpávací zařízení pro odpadní vodu)

Parametry
Záruka
2 roky
Běžná cena
70 090 Kč